Mon four AKZM 740/IX ne s'allume plus apres que la lampe du four ait fondu... HELP !
Question posée par
sylvainp
9 pts
Bonjour,
la lampe a fondu et claqué. Le four ne s'allume plus du tout (rien à l'écran si je tourne la molette)
Je chercher à tester les composants. mais je n'ai pas le schéma électrique...
Si vous avez des idées pour m'aider à réparer je suis preneur !
Mon commentaire
Ma solution
>> voir toutes
Questions similaires
- Four whirlpool année 2002; 4 diodes éteintes sur l’afficheur, subitement. (13 réponses )
- Four Whirpool AKZM 799, s'allume mais ne chauffe plus. (18 réponses )
- Four whirlpool: piece de securité manquante en série du klixon (17 réponses )
- Four whirlpool fxtp6 akz228 inerte suite a probable surtension (13 réponses )
- Four encastrable whirlpool AKZM 833 ne fonctionne plus après cycle nettoyage startclean (14 réponses )
- Four AKZ599/IX comme hors tension (4 réponses )
- Four Whirlpool AKP 152/IX est bloqué sur - - - C (9 réponses )
- FOUR AKZ 478 WH DIJONCTE Réparé (6 réponses )








Bonjour,
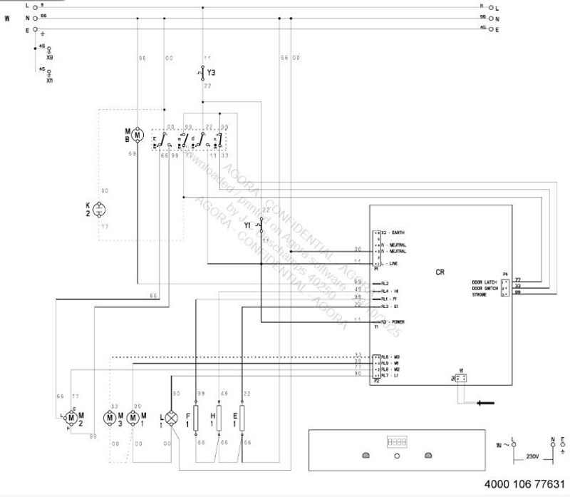
Voici le schéma électrique de votre appareil.
Dans ce cas, il faut envisager de remplacer la douille de l'ampoule, car elle se trouve probablement en court-circuit.
Merci pour votre message; j'ai commandé la douille pour la remplacer
et un grand merci pour le schéma !
la carte est bien alimentée, mais ensuite, je suis perdu devant la carte...
je croise les doigts pour la douille — sylvainp 9 pts
bonsoir
j'ai changé le module complet de la lampe. Toujours rien... le four ne s'allume même pas.
j'ai revérifié, le cour'ant arrive jusqu'à la carte.
je me demande si la carte n'est pas morte....
Bonjour,
Malheureusement, ces cartes sont très sensibles aux perturbations secteur. Très souvent, c'est le micro-contrôleur qui grille et ce n'est pas réparable. On m'en a encore apporté une samedi et idem, 5V en court-circuit au niveau du µC.
Vérifiez à l'ohmmètre et hors tension si le condensateur C063 de 1000µF tout à fait dans un angle de la carte n'est pas en court-circuit. Si oui, votre carte est HS.
Sinon, vérifiez que la diode D027 (juste à côté) n'est pas elle-même en court-circuit. — jchd 11811 pts — PRO
Merci encore pour ces infos.
j'ai l'impression que le condensateur est ok.
la diode, je n'arrive pas à la tester (je suis une bille en electronique).
Après le dos de la carte, me fait dire qu'elle est HS... votre avis ? J'aurai du commencer par ça !
c'est pas ma semaine, avec la machine à laver qui bien planter aussi (porte fermée non détectée)
Bonjour,
Classique hélas : la douille s'est mise en court-circuit et a fait exploser le triac de commande.
Vu l'état de la carte je doute que le µC ait survécu, mais ça peut se tenter : au pire ça revient aux frais de poste aller. — jchd 11811 pts — PRO
Merci pour votre retour.
il faut que je change le triac de commande ? et je fais ça comment ? — sylvainp 9 pts